En esta publicación se explica que son, cuando son necesarios y como operan los mecanismos antivertido -también denominados sistemas de inyección cero (export limiter)- en las instalaciones de autoconsumo sin excedentes. También se exponen ejemplos reales y esquemas eléctricos.
ÍNDICE DE CONTENIDOS
- Marco normativo
- Componentes y funciones
- Esquemas eléctricos tipo
- Ejemplos de sistemas
- Soluciones alternativas
- Desbalanceo de fases (actualización 14/03/2024)
MARCO NORMATIVO
Para que una planta de autoconsumo que supere los 15 [kWn] en suelo urbano, o de cualquier potencia en suelo rústico, pueda verter su energía excedentaria a la red (i.e. modalidad de autoconsumo con excedentes), hay que tramitar previamente los permisos de acceso y conexión con la empresa distribuidora de la zona.
Este proceso en algunos casos se desea evitar por la baja remuneración de los excedentes en relación con lo larga y costosa que puede llegar a resultar su gestión. Para ello se acoge la planta a la modalidad de autoconsumo sin excedentes, lo cual permite acelerar en gran medida la ejecución y la legalización del proyecto.
El Artículo 4 del Real Decreto 244/2019 establece que todas las instalaciones de autoconsumo sujetas a esta modalidad de autoconsumo deben contar con un mecanismo anti-vertido que impida la inyección de energía excedentaria a la red eléctrica.
Este sistema tiene que reunir las características técnicas listadas en el Anexo I de la ITC-BT-40 del Reglamento electrotécnico para baja tensión, anexo que además establece que un laboratorio de ensayos acreditado según la UNE-EN ISO/IEC 17025 certifique mediante una serie de pruebas que el sistema cumple los requisitos del mismo. Cabe advertir que el certificado emitido habitualmente debe renovarse cada 5-10 años.

Las exigencias del Reglamento electrotécnico para baja tensión para estos mecanismos son desmesuradas y nada razonables, motivo por el cual pocos fabricantes tienen la documentación en regla para todos sus equipos, lo cual ha supuesto una barrera importante para el desarrollo del autoconsumo en España.
Es bien sabido en el sector del autoconsumo que esto se debe a que las condiciones técnicas de estos sistemas fueron «recomendadas» al gobierno por parte Asociación de Empresas de Energía Eléctrica (antigua UNESA) cuyos principales asociados son las grandes empresas distribuidoras de España (Endesa, Iberdrola, etc).
Así pues, bastantes técnicos de la administración admiten en su lugar una declaración responsable o certificado del fabricante u organización certificadora de que el mecanismo anti-vertido cumple la Norma UNE 217001 sobre Ensayos para sistemas que eviten el vertido de energía a la red de distribución, si bien esto realmente no cumple estrictamente la normativa nacional.
Por último, cabe aclarar que los sistemas anti-vertidos no están constituidos por un único componente, sino por varios dispositivos que trabajan conjuntamente para permitir la programación de la instalación, de tal modo que esta limite su potencia acorde a la demanda del suministro donde se instale, evitando el vertido a la red.
COMPONENTES Y FUNCIONAMIENTO
Los equipos que suelen conformar y habilitar la inyección cero se listan y describen a continuación, no obstante, es necesario remarcar que estos realizan otras funciones, como la monitorización en remoto y el control de sistemas auxiliares (e.g baterías), por ello a menudo están presentes en plantas de autoconsumo con excedentes:
- Toroidales (current transformers): son transformadores de corriente cuyo fin es medir de manera indirecta la intensidad de un circuito abrazando los cables activos de potencia. En sistemas monofásicos solo se requiere una unidad, en los trifásicos son necesarios tres, es decir, uno por fase. En instalaciones de baja potencia (< 50 [kW]) a veces se prescinde de estos elementos si el vatímetro es de medición directa, casos en los que la corriente transcurre por el medidor directamente.
- Reductores (voltage transformers): son transformadores de tensión de tamaño reducido utilizados únicamente cuando la medida es en alta tensión (> 1 [kV]), tienen como objetivo cuantificar indirectamente el voltaje del circuito, ya que los vatímetros no están preparados para valores tan elevados. Su utilización es poco común en instalaciones de autoconsumo.
- Sumador de corriente (adding transformer): cuando se deba medir el amperaje de diversos circuitos independientes con un único vatímetro, es necesario utilizar tantos juegos de toroidales como circuitos haya, los cuales se asocian entre sí mediante un sumador de intensidad, que posteriormente se conecta con el vatímetro.
- Vatímetro / medidor (energy meter): es el dispositivo encargado de medir la potencia y el balance de energía del sistema generación/suministro. La corriente es medida directa o indirectamente mediante toroidales, en este caso también disponen de terminales para medir la tensión, además, a veces cuentan con una entrada para su propia alimentación, que habitualmente es monofásica. Los transformadores o el propio vatímetro (según el caso) deben situarse siempre aguas arriba del punto de conexión de la planta de autoconsumo.
- Registrador de datos / controlador (smart logger): su instalación a menudo es obligatoria en instalaciones industriales. Se sitúan entre el vatímetro y el inversor maestro permitiendo realizar la programación, el control y la monitorización de las plantas de manera remota vía APP o portal web, si bien para ello requieren de conexión a internet. Algunos registradores de datos pueden actuar como vatímetros, pero es poco habitual.
- Inversor maestro (master inverter): es el generador principal encargado de controlar el resto de inversores de la planta (denominados esclavos), su programación se suele llevar a cabo a través del registrador de datos. En instalaciones sin registrador, el inversor maestro es el que se conecta a internet y es el encargado de aportar los datos al portal web o APP de monitorización y control remoto. Este equipo normalmente se puede distinguir del resto de inversores al ser el único conectado al registrador o vatímetro.
- Cable de comunicación: la interfaz más empleada es la RS-485, se utiliza para interconectar todos los elementos anteriormente listados excepto los toroidales, que suelen venir ya cableados, los cuales cabe destacar que no se deben acortar o alargar. La medida de tensión se lleva a cabo con cables eléctricos convencionales, que deben estar protegidos por fusibles o interruptores.
La mayoría de estos equipos tienen como fin medir el balance energético en el punto frontera, es decir, cuantifican los excedentes de la planta y los consumos desde la red por parte del suministro. En base a los datos recopilados, el inversor maestro limitará la potencia cuando la producción disponible supere al consumo del emplazamiento, logrando que toda la energía generada se consuma en red interior y no se vierta a la red.

Los inversores de instalaciones fotovoltaicas llevan a cabo esta reducción de potencia alterando el punto de funcionamiento de las series (strings) de sus curvas V-I (voltaje-intensidad), es decir, hacen que los módulos funcionen de manera menos eficiente.
ESQUEMAS ELÉCTRICOS TIPO
La configuración más habitual en autoconsumos industriales es la expuesta en el siguiente esquema unifilar, que consiste en la utilización de un vatímetro de medida indirecta (con toroidales), de un registrador de datos y de uno o varios inversores de corriente.

Es muy importante que las conexiones del vatímetro sean coherentes, es decir, que las medidas de tensión e intensidad de una misma fase (L1/2/3) efectivamente estén conectadas al mismo cable. Además, el toroidal debe estar correctamente orientado según especifique su fabricante. Si no se cumplen estas condiciones de montaje, la medida obtenida será errónea:

En proyectos de baja potencia, que son aquellos en las que el suministro y la planta de autoconsumo tienen potencia inferior a 50 [kWn], la medida puede ser directa, permitiendo prescindir de emplear toroidales. El vatímetro se suele situar en la cabecera del cuadro del emplazamiento, de tal modo que la corriente eléctrica pasa directamente por el mismo:

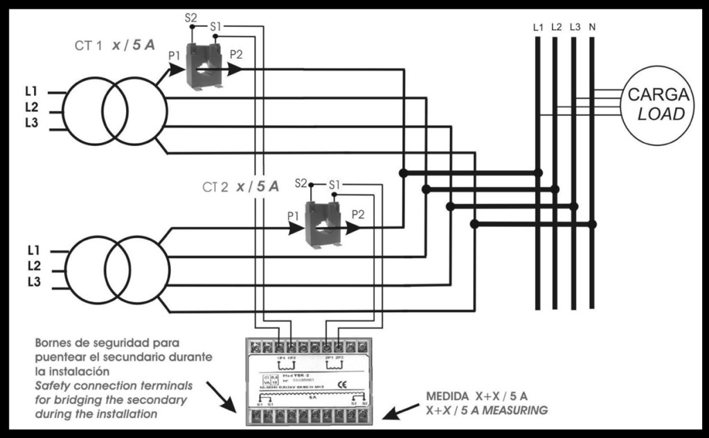
Los suministros en alta tensión pueden disponer de varios trafos, lo cual obliga a tener que instalar más de un juego de toroidales, los cuales se asocian entre sí mediante un sumador de intensidades, que actuará como intermediario entre los transformadores y el vatímetro. A continuación se muestra un ejemplo de esto con dos trafos y dos juegos de medidores, aunque en el dibujo solo se ha representado un toroidal de cada juego:

EJEMPLOS DE SISTEMAS
A continuación se exponen varios ejemplos de mecanismos de anti-vertido certificados acorde al Anexo I de la ITC-BT-40 y la Norma UNE 217001, también se muestran ejemplos de sistemas «universales», que son compatibles con muchas marcas de inversores:
Anexo I de la ITC-BT-40
- Inversores Huawei gama SUN2000 de 30 a 100 [kWn], medición mediante vatímetro Huawei DTSU666-H y registrador de datos de Huawei SmartLogger (varios modelos permitido): enlace a certificado.
- Inversores Ingeteam gama INGECON SUN 3 PLAY de 100 a 160 [kWn], medición mediante vatímetro Carlo Gavacci (varios modelos permitidos) y sin registrador de datos: enlace a certificado.
- Inversores SunGrow gama SGCX de 30 a 50 [kWn], medición mediante vatímetro Janitza UMG (varios modelos permitido) y registrado de datos meteocontrol blue’Log XC: enlace a certificado.
Norma UNE 217001
- Inversores Riello gama RS de 1 a 6 [kWn], medición mediante cualquier vatímetro compatible autorizado por el fabricante (e.g. Lovato DMG) y sin registrador de datos: enlace a certificado.
- Inversores SAJ gama R5-K-T2 de 3 a 20 [kWn], medición mediante vatímetro Chint DTSU666 y sin registrador de datos: enlace a certificado.
- Inversores Kostal gama PIKO CI de 50 a 60 [kWn], medición mediante cualquier vatímetro compatible autorizado por el fabricante (e.g. Kostal KSEM) y sin registrador de datos: enlace a certificado.
Sistemas «universales«
- Registrador de datos marca Real Energy Systems modelo Prisma 310A, ensayado acorde a la Norma UNE 217001: enlace a certificado. Compatible con inversores SMA, SolarEdge, Huawei y SunGrow entre otros, con ciertas limitaciones en cuanto a modelos.
- Registrador de datos marca SolarLog modelos 300/1200/2000, declaración responsable propia: enlace a certificado. Compatible con inversores Kostal, SMA, Huawei, SunGrow, SMA y Fronius entre otros, con ciertas limitaciones en cuanto a modelos.
- Registrador de datos marca Circutor modelos CDP-0/G/DUO, ensayado acorde a la Norma UNE 217001: enlace a certificado. Compatible con inversores Kaco, ABB, Fronius, Huawei, SMA y Growatt entre otros, con ciertas limitaciones en cuanto a modelos.
SOLUCIONES ALTERNATIVAS
La normativa también contempla mecanismos anti-vertido que utilicen interruptores de corte o sistemas de almacenamiento para evitar el vertido a la red eléctrica, pero son poco comunes y están ideados para plantas de generación que no puedan regular fácilmente su potencia, como ocurre con aquellas que usan biocombustibles, energía hidráulica o eólica.
DESBALANCEO DE FASES (ACTUALIZACIÓN 14/03/2024)
Como bien han indicado varios lectores de esta publicación, es necesario aclarar que a los sistemas anti-vertido en España se les exige que actúen en base a la fase con menor consumo (punto I.2.1 del Anexo I de la ITC-BT-40), lo cual implica que en suministros trifásicos no balanceados la inyección cero puede provocar unas pérdidas energéticas importantes.
Esto puede obligar a modificar el cuadro del emplazamiento para equilibrar las fases; otra opción es realizar el balanceo de manera global aunque la normativa no lo permita. Cabe advertir que, aunque esto en la práctica es muy habitual, la empresa distribuidora puede denunciar a industria la situación, en cuyo caso se deberán hacer las rectificaciones pertinentes para evitar una sanción.
Hola!
Me parece un post super interesante y completo pero a mí me surge una duda en cuanto al Anexo I de la ITC-BT-40 respecto al antivertido en sistemas trifásicos:
1) En principio, tengo entendido que para que mecanismo antivertido cumpla con la legislación española (Anexo I de la ITC-BT-40) entre otras cosas, debe tomar como consigna la fase de menor consumo. Es decir, si yo tengo una instalación cuyas fases consumen respectivamente 5 10 y 15 kW, y teniendo un inversor que puede sacar 30 kWn (10 kW/fase), lo que realmente hará será adaptarse a la fase de 5 kW quedando el balance así:
La fase 1 NO consumirá nada de la red (los 5 kW se los da el inversor).
La fase 2 consumirá 5 kW de la red, los otros 5 kW se los dará el inversor.
La fase 3 consumirá 10 kW, los otros 5 kW se los dará el inversor.
¿Esto es así? No veo nada explícitamente en el anexo I de la ITC-BT-40. ¿Me ayudarías con esto?
2) La otra opción de «antivertido» que he visto por ahí es que el inversor reparte su potencia máxima entre las fases de tal manera que el balance de potencias (sumatorio) quede 0. Suponiendo otra vez una instalación cuyas fases consumen respectivamente 5, 10 y 15 kW, y teniendo un inversor que puede sacar 30 kWn (10 kW/fase) quedaría de la siguiente manera:
La fase 1 no consumiría nada de la red pero inyectaría a la red 5 kW (negativos)
La fase 2 no consumiría nada de la red y tampoco inyectaría nada.
La fase 3 consumiría de la red 5 kW (positivos) pero no inyectaría nada.
BALANCE: 5 kW (negativos) + 5 kW (positivos) = -5 + 5 = 0
¿Esto también sería válido como mecansimo antivertido según el el Anexo I de la ITC-BT-40?
El principal problema es no encuentro en ningún sitio lo que se dice por ahí: «para que un mecanismo antivertido sea válido, la ley establece que hay que considerar la fase que menos consumo tenga» ¿Sabes dónde se puede encontrar este argumento en el anexo I de la ITC-BT-40?
SALUDOS.
Buenas tardes Francisco,
Efectivamente en España impera por ley la opción Nº1, es decir, en una instalación con las fases descompensadas al poner un autoconsumo sin excedentes acorde al Anexo I de la ITC-BT-40 se pueden producir pérdidas energéticas muy importantes. No estoy seguro de que la normativa lo exija (me he leído el Anexo y no lo deja muy claro), pero cuando trabajaba en el sector del autoconsumo varios distribuidores me advirtieron de que los sistemas anti-vertido de otros países no podían homologarse aquí por este motivo en concreto.
No obstante ya te digo que en la práctica se hace lo que indicas en la opción Nº2 aunque no cumpla normativa para que la instalación funcione correctamente, como mucho las distribuidoras y la administración te van a pedir el certificado correspondiente y comprobarán que los equipos de medida instalados son los que figuran en el certificado. Es decir, rara vez se van a poner a hacer mediciones.
En el peor de los casos si lo detectan y te denuncian a industria deberás reprogramar la inyección cero acorde a la opción Nº1 y si es posible balancear correctamente las fases del emplazamiento para reducir las pérdidas. Por mi parte nunca he experimentado esta situación y tengo bastantes instalaciones legalizaciones a mi nombre, pero me ha parecido correcto advertirte de que puede ocurrir.
Saludos.
Muy buenas Ingeniero Solitario.
Muchas gracias por tu contestación y enhorabuena por tu web. Se plantean cuestiones super interesantes. Te seguiré de cerca.
Investigaré respecto a la legalidad sobre esto de la inyección 0. Si me entero de algo, te lo haré saber.
Saludos!
Tomar como consigna la fase de menor consumo:
La interpretación de la Norma que les han marcado a los laboratorios certificados para la realización de los ensayos de equipos antivertido, y que es obligatoria para el diseño del ensayo viene a partir de este punto:
ANEXO I – punto I.2.1 Instalaciones con equipo de medida de intercambio de energía con la red: “Cualquier valor que incumpla el requisito anterior deberá de ser corregido en un tiempo inferior a 2 segundos, mediante la limitación de la generación, o su disparo.”
La clave es «Cualquier valor». Es decir, que para pasar el ensayo, según están diseñados, no se puede inyectar en ninguna de las fases.
Gracias por la aclaración Jesús, es bueno saber de donde viene este requisito. Es una pena que la normativa española sea tan restrictiva con estos sistemas, ocasiona bastantes dolores de cabeza y hace menos eficientes las instalaciones.
Gracias por el post, para aclarar de donde viene tomar como consigna la fase de menor consumo:
La interpretación de la Norma que les han marcado a los laboratorios certificados para la realización de los ensayos de equipos antivertido, y que es obligatoria para el diseño del ensayo viene a partir de este punto:
ANEXO I – punto I.2.1 Instalaciones con equipo de medida de intercambio de energía con la red: “Cualquier valor que incumpla el requisito anterior deberá de ser corregido en un tiempo inferior a 2 segundos, mediante la limitación de la generación, o su disparo.”
la especificación «Cualquier valor» es la clave. Es decir, que para pasar el ensayo, con el protocolo marcado, no se puede inyectar en ninguna de las fases.